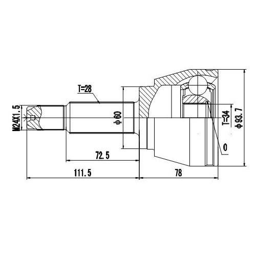
Z87195R — ZIKMAR — Шрус Наружный

Номер запчасти
Z87195R
Название
Шрус Наружный
Производитель
ZIKMAR
Нет в наличии
Примечание
SsangYong Rexton II (06--12)
Номера производителя (OE)
SSANGYONG
4130008B02
Модель | Двигатель | Мощность (л.с.) | Объем (см³) | Тип кузова | Производство |
---|