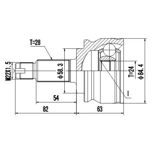
Z87391R — ZIKMAR — Шрус Наружный

Номер запчасти
Z87391R
Название
Шрус Наружный
Производитель
ZIKMAR
Нет в наличии
Примечание
Suzuki Grand Vitara, Escudo (06--14)
Номера производителя (OE)
SUZUKI
44105-65J10, 44105-79K10, 44119-65J10, 44119-65J10-000
Модель | Двигатель | Мощность (л.с.) | Объем (см³) | Тип кузова | Производство |
---|